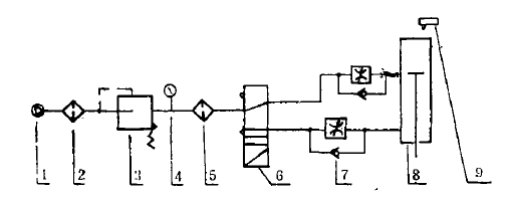
超聲波焊接機氣路原理:初始狀態應是P、B通路, P、A斷路,使氣缸帶動的換能器焊頭向上復位, 當啟動開關信號送到發生器時,P 、B由原來通路變為斷路, 此時P、A由原來斷路變為通路,使氣缸帶動的換能器下降, 當下降至設定位置時觸動裝于機架內的微動開關, 以觸發超聲波發振工作, 發振及保壓時間由發生器預先設定觸發壓力10-70kg,可通過壓力調節盤預先調整控制觸發范圍, 待超聲、保壓結束后, 發生器自動又來一信號使電磁閥釋放, 二位五通電磁閥換向, 將換能器返回原處復位, 完成一次焊接過程, 壓力盤的調節是根據不同特性的焊頭和焊接對象而設定的。

電話:131-6611-7677 江蘇省鹽城市東臺市服務熱線:131-6611-7677 EMAIL:13166117677@qq.com
公司地址:上海市嘉定區澄瀏中路1333號8幢102廠房
稷械超聲波科技(上海)有限公司 滬ICP備18031947號-5 xml地圖
聯系電話
微信掃一掃
